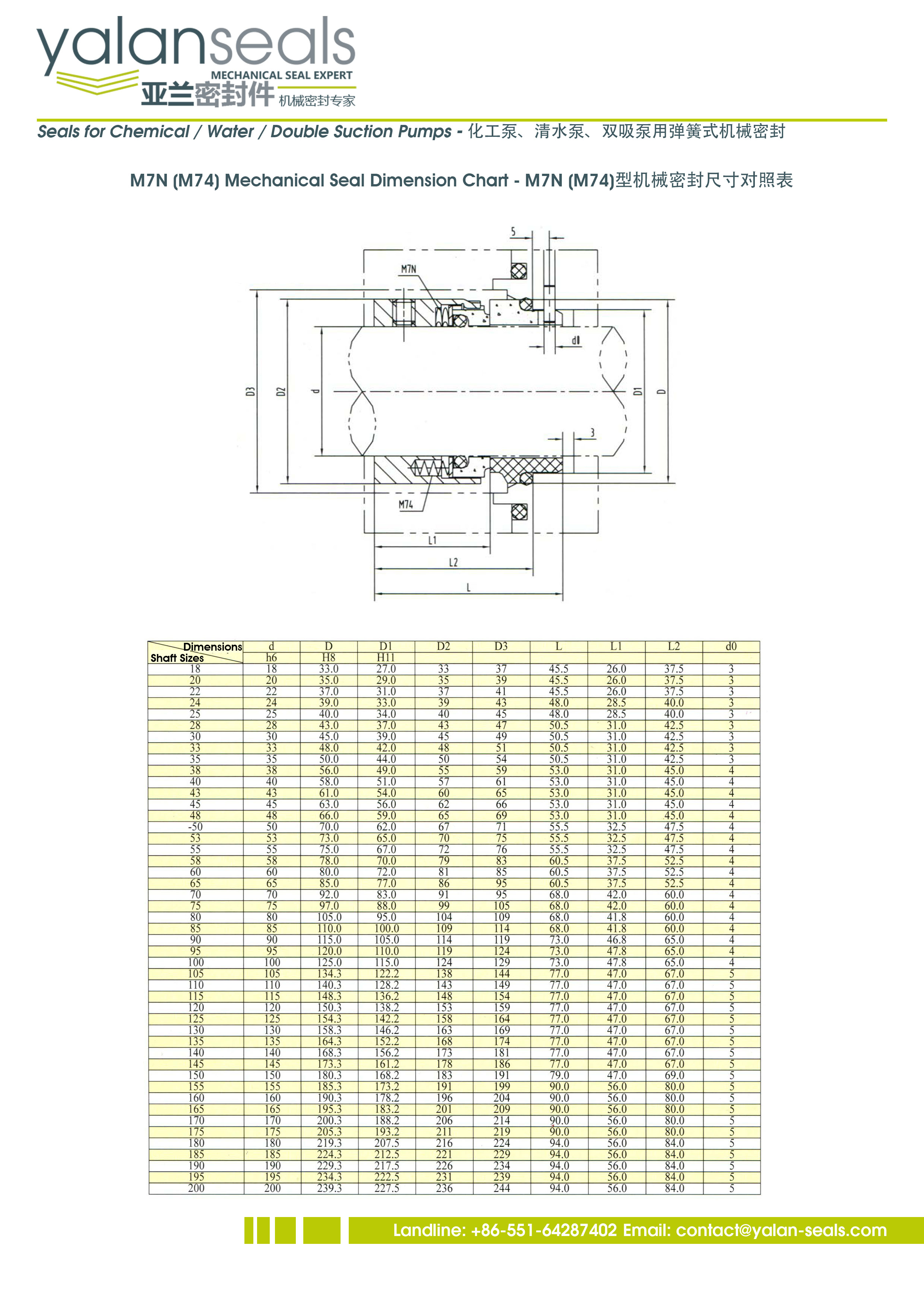
亞蘭M7N,M74
基本特點
- 結構:單端面
- 壓力:普通壓力
- 轉速:高轉速
- 溫度:常溫
- 特性:耐磨
- 標準:DIN24960,ISO3069,GB6556
- 型號:M7N,M74,M74D(雙封)
- 平衡:非平衡型
- 軸徑范圍:20 mm到300 mm
產品詳細描述
M7N、M74型機械密封,用于化工離心泵、KSB和凱泉水泵、雙吸泵等泵類旋轉設備。
結構特點:單端面,波形彈簧(M7N),多彈簧(M74),非平衡型,任意旋向,耳傳動機械密封件。此機械密封件傳動方式簡單,泛用性強。M7N型的波形彈簧結構適合用于帶有顆粒或結晶的高濃度介質。 M74型的結構簡單,補償原件預集裝。此型號機械密封安裝方便,補償性能優秀。端面載荷均衡,密封性能可靠穩定。
M7N和M74的默認設計為方耳傳動,根據用戶的反饋,方耳傳動在某些工況下會在設備緊急啟動或者驟停時對傳動耳和動環造成損傷。根據這一反饋,亞蘭密封改進了傳動耳的設計,形成了新的M74R型設計,將傳動耳由方形改為圓弧形,有效避免和減少了緊急啟動或者驟停對傳動耳和動環密封面可能造成的損害,將其可靠性提高了70%。
執行標準:DIN24960,ISO3069,GB6556
應用領域:廣泛用于化工、煉油、石化、污水處理、制藥和食品加工行業。此機封一般配套化工泵、水泵、螺桿泵、污水泵、雙吸泵、造紙設備和其他旋轉設備。

