亞蘭105
€25.00
SKU :
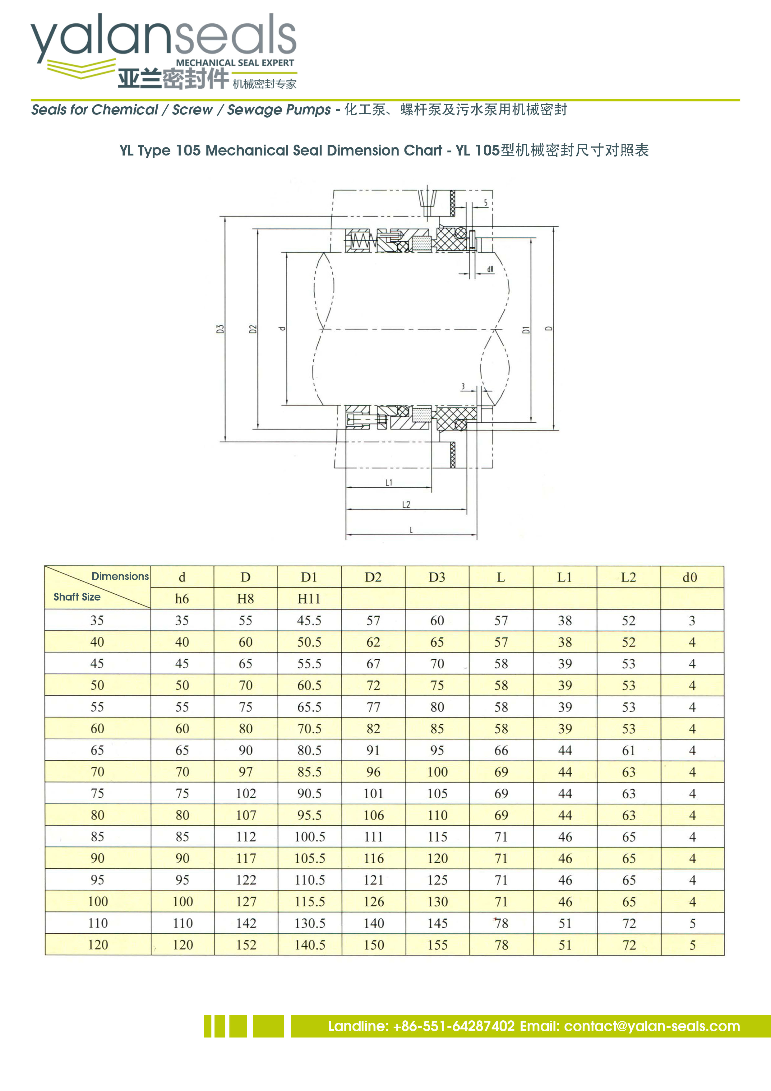
105
基本特點
- 結構:單端面
- 壓力:低壓
- 轉速:普通轉速
- 溫度:常溫
- 特性:耐磨
- 標準:JB/T1472-94
- 型號:Type 105
- 平衡:非平衡型
- 軸徑范圍:35 mm到180 mm
產品詳細描述
亞蘭105型機械密封件,用于化工離心泵、螺桿泵和污水泵。
結構特點:單端面,多彈簧,非平衡型,任意旋向,傳動套傳動機械密封件。此機械密封件結構簡單,可靠性高。
執行標準:JB/T1472-94
應用領域:主要用于離心泵、螺桿泵和造紙設備等,廣泛用于化工流程、煉油、石化、污水處理、發電、造紙和制藥等行業。

